Skip to content
Hitachi Việt NamHitachi Việt Nam
  • Hỗ trợ tư vấn
    0989 894 026

    Email liên hệ
    thanhtung@vuongphatvn.com

    • Trang Chủ
    • Giới thiệu
    • Liên hệ
    • Sản phẩm
      • Máy nén khí Hitachi
        • Trục vít ngâm dầu
        • Trục vít không dầu
        • Piston
        • catalog
      • Bộ lọc khí
        • Bộ lọc khí ICE
        • Bộ lọc khí Orion
        • Bộ lọc khí Psi
        • BỘ LỌC KHÍ DOKYUNG
        • Bộ lọc khí Hitachi
      • Máy sấy khí
        • Máy sấy khí ICE
        • Máy sấy khí Orion
        • Máy sấy khí Psi
        • MÁY SẤY KHÍ DOKYUNG
        • Máy sấy khí Hitachi
      • Máy tạo khí nito
        • Máy tạo khí nito Hitachi
        • Máy tạo khí nito Psi
      • Thiết bị khác
        • Máy biến áp ABB Hitachi
        • Máy nén khí cao áp Hertz
    • Dịch vụ
    • Tin Tức
    • Kiến thức
    hitachi
    Máy Nén Khí Piston Nhật Bãi Dạng Trần Có Bánh Xe – Giải Pháp Nâng Cao Hiệu Quả Lành Mạnh

    Bảng Giá Máy Nén Khí Piston Nhật Bãi Dạng Trần Có Bánh Xe luôn là vấn...

    29
    Th7
    may nen khi
    Đại Lý Máy Nén Khí Hitachi Nhật Bản Mới 100% Chính Hãng

    Đại Lý Máy Nén Khí Hitachi Nhật Bản Mới 100% Chính Hãng là điểm đến tin...

    29
    Th7
    may nen khi
    Ứng dụng máy nén khí trong xây dựng: Lợi ích và giải pháp tối ưu để nâng cao hiệu quả công trình

    Trong ngành xây dựng ngày nay, việc ứng dụng công nghệ hiện đại đã trở...

    29
    Th7
    may nen khi
    Dầu Máy Nén Khí Trục Vít Chính Hãng – Giải Pháp Tin Cậy

    Dầu Máy Nén Khí Trục Vít Chính Hãng – Giải Pháp Tin Cậy. Trong lĩnh...

    29
    Th7
    may nen khi
    Tầm quan trọng của dầu máy nén khí trục vít trong vận hành bền bỉ

    Vai trò của dầu máy nén khí trục vít trong hệ thống Trong các hệ...

    29
    Th7
    may nen khi
    Các Loại Dầu Máy Nén Khí Trục Vít Và Cách Chọn Lựa – Hướng Dẫn Toàn Diện Cho Doanh Nghiệp

    Trong ngành công nghiệp hiện đại, việc duy trì hệ thống máy nén khí trục...

    29
    Th7
    may nen khi
    Ưu nhược điểm của máy nén khí biến tần và cách lựa chọn phù hợp cho doanh nghiệp

    Ưu nhược điểm của máy nén khí biến tần và cách lựa chọn phù hợp...

    29
    Th7
    hitachi
    Lỗi U100 máy nén khí Hitachi – Nguyên nhân và cách khắc phục hiệu quả để duy trì hoạt động ổn định

    Lỗi U100 máy nén khí Hitachi: Nguyên nhân và cách khắc phục. Trong quá trình...

    29
    Th7
    may nen khi
    Máy nén khí không dầu vs có dầu – Lựa chọn phù hợp cho từng nhu cầu sử dụng

    Trong ngành công nghiệp và đời sống hàng ngày, máy nén khí đóng vai trò...

    29
    Th7
    may nen khi
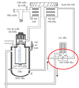
    Khám phá Cấu Tạo và Nguyên Lý Hoạt Động của Van Hằng Nhiệt Trong Máy Nén Khí – Bí Quyết Điều Khiển Áp Suất Hiệu Quả

    Cấu Tạo và Nguyên Lý Hoạt Động của Van Hằng Nhiệt Trong Máy Nén Khí...

    29
    Th7
    biến tần
    Hướng Dẫn Vệ Sinh Máy Nén Khí Trục Vít Đúng Cách

    Hướng Dẫn Vệ Sinh Máy Nén Khí Trục Vít Đúng Cách Trong ngành công nghiệp...

    29
    Th7
    may nen khi
    Phụ Tùng Máy Nén Khí Chính Hãng – Chất Lượng Cao, Giá Tốt

    Trong lĩnh vực công nghiệp hiện đại, máy nén khí đóng vai trò quan trọng...

    29
    Th7
    • 1
    • …
    • 18
    • 19
    • 20
    • 21
    • 22
    • 23
    • 24
    Tin Tức Mới Nhất
    • Máy nén khí là gì? Những điều cần biết để lựa chọn đúng thiết bị
    • Lợi Ích Khi Sử Dụng Máy Rửa Xe Mini Tại Nhà
    • Các Dòng Xe Nâng Cao Cấp và Tiết Kiệm Chi Phí
    • Tổng Quan Về Máy Xịt Rửa Công Nghiệp Và Những Điều Cần Biết
    • Máy phát điện là gì? Khám phá cấu tạo và nguyên lý hoạt động
    Sản phẩm
    • may nen khi OSP-160VAN2 MÁY NÉN KHÍ TRỤC VÍT NGÂM DẦU HITACHI BIẾN TẦN 160kW
    • may nen khi DSP-100VA5MN2 MÁY NÉN KHÍ TRỤC VÍT KHÔNG DẦU HITACHI BIẾN TẦN 100kW, loại 2 cấp
    • may say khi Máy Sấy Khí Tác Nhân Lạnh ICE
    • may nen khi OSP-55VAN2 MÁY NÉN KHÍ TRỤC VÍT NGÂM DẦU HITACHI BIẾN TẦN 55kW
    • may nen khi 11OP-8.5GA5A MÁY NÉN KHÍ PISTON KHÔNG DẦU HITACHI ,LOẠI 3 PHA 11KW

    VỀ CHÚNG TÔI


    CTCP KỸ THUẬT VÀ THƯƠNG MẠI VƯỢNG PHÁT

    Nhà phân phối chính thức máy nén khí HITACHI – Nhật Bản, máy nén khí cao áp HERTZ – Đức, máy tạo khí Nito PSI – Anh Quốc, máy sấy khí và thiết bị lọc khí PSI – Anh Quốc.

    THÔNG TIN LIÊN HỆ


    0989 894 026
    thanhtung@vuongphatvn.com
    43/162 Cầu Diễn, Nguyên Xá 2, Minh Khai, Bắc Từ Liêm, Hà Nội
    Tầng 7 Tòa nhà Vinadco, 01-03 Hồ Quý Ly, P.Thanh Khê Tây, Q.Thanh Khê, Đà Nẵng
    Tầng 2 Tòa 204/27 Nguyễn Văn Hưởng, Phường Thảo Điền, Quận 2, HCM

    • Trang Chủ
    • Giới thiệu
    • Liên hệ
    • Sản phẩm
      • Máy nén khí Hitachi
        • Trục vít ngâm dầu
        • Trục vít không dầu
        • Piston
        • catalog
      • Bộ lọc khí
        • Bộ lọc khí ICE
        • Bộ lọc khí Orion
        • Bộ lọc khí Psi
        • BỘ LỌC KHÍ DOKYUNG
        • Bộ lọc khí Hitachi
      • Máy sấy khí
        • Máy sấy khí ICE
        • Máy sấy khí Orion
        • Máy sấy khí Psi
        • MÁY SẤY KHÍ DOKYUNG
        • Máy sấy khí Hitachi
      • Máy tạo khí nito
        • Máy tạo khí nito Hitachi
        • Máy tạo khí nito Psi
      • Thiết bị khác
        • Máy biến áp ABB Hitachi
        • Máy nén khí cao áp Hertz
    • Dịch vụ
    • Tin Tức
    • Kiến thức
    Zalo
    Phone

    Đăng nhập

    Quên mật khẩu?